Tel
0577-62795555
News & Topics at Hont Cable Ties
Nov , 26-2021
Mar 25th Shows New Historical High Prices For NYLON 66Jul , 19-2021
UV Black Cable Tie
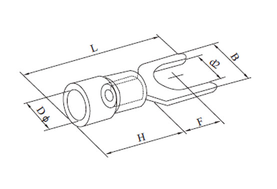
Maximum electrical rating of insulated fork terminal: 600volts
Maximum temperature of insulated fork: 75℃
Terminal Body of fork wire terminal: Brass/Copper
Plating of fork terminal connector: Tin plated
Insulation material of fork terminal: vinyl (PVC)

| Item NO. | UNC | screw dia. | Dimension | Section size(MM²) | Color | ||||
| d2(mm) | B(mm) | L(mm) | F(mm) | H(mm) | D φ(mm) | ||||
| Cable size:0.5~1.5mm2(A.W.G.22~16) max current:Imax=19A material:purple copper thickness:0.75mm | |||||||||
| SV1.25-3 | #4 | 3.2 | 5.7 | 21.2 | 6.5 | 10 | 4.3 | 0.5~1.5mm² (22-16):Imax=19A | Red |
| SVS1.25-3.5 | #6 | 3.7 | 5.7 | 21.2 | 6.5 | ||||
| SVL1.25-3.5 | #6 | 3.7 | 6.4 | 21.2 | 6.5 | ||||
| SVS1.25-4 | #8 | 4.3 | 6.4 | 21.2 | 6.5 | ||||
| SVM1.25-4 | #8 | 4.3 | 7.2 | 21.2 | 6.5 | ||||
| SVL1.25-4 | #8 | 4.3 | 8.1 | 21.2 | 6.5 | ||||
| SVS1.25-5 | #10 | 5.3 | 8.1 | 21.2 | 6.5 | ||||
| SVL1.25-5 | #10 | 5.3 | 9.5 | 21.2 | 6.5 | ||||
| SVS1.25-6 | 1/4 | 6.5 | 9.5 | 21.2 | 6.5 | ||||
| SVL1.25-6 | 1/4 | 6.5 | 12 | 21.2 | 11 | ||||
| Cable size:1.5~2.5mm2(A.W.G.16~14) max current:Imax=27A material:purple copper thickness:0.8mm | |||||||||
| SV2-3 | #4 | 3.2 | 5.7 | 21.2 | 6.5 | 10 | 4.9 | 1.5~2.5mm² (16~14):Imax=27A | blue |
| SVS2-3.5 | #6 | 3.7 | 5.7 | 21.2 | 6.5 | ||||
| SVL2-3.5 | #6 | 3.7 | 6.4 | 21.2 | 6.5 | ||||
| SVS2-4 | #8 | 4.3 | 6 | 21.2 | 6.5 | ||||
| SVM2-4 | #8 | 4.3 | 7.2 | 21.2 | 6.5 | ||||
| SVL2-4 | #8 | 4.3 | 8.1 | 21.2 | 6.5 | ||||
| SVS2-5 | #10 | 5.3 | 8.1 | 21.2 | 6.5 | ||||
| SVL2-5 | #10 | 5.3 | 9.5 | 21.2 | 6.5 | ||||
| SVS2-6 | 1/4 | 6.5 | 9.5 | 21.2 | 11 | ||||
| SVL2-6 | 1/4 | 6.5 | 12 | 21.2 | 7 | ||||
| Cable size:2.5~4mm2(A.W.G.14~12) max current:Imax=37A material:purple copper thickness:1.0mm | |||||||||
| SV3.5-4 | #8 | 4.3 | 8 | 24.8 | 7 | 12.5 | 6.2 | 2.5~4mm² (14~12):Imax=37A | black |
| SV3.5-5 | #10 | 5.3 | 8 | 24.8 | 12.1 | ||||
| SV3.5-6 | 1/4 | 6.5 | 12 | 28 | 7.5 | ||||
| Cable size:4~6mm2(A.W.G.12~10) max current:Imax=48A material:purple copper thickness:1.0mm | |||||||||
| SV5.5-3.5 | #6 | 3.7 | 8.3 | 25.2 | 7.5 | 12.5 | 6.7 | 4~6mm² (12~10):Imax=48A | yellow |
| SVS5.5-4 | #8 | 4.3 | 8.3 | 25.2 | 7.5 | ||||
| SVL5.5-4 | #8 | 4.3 | 9 | 23.9 | 7.5 | ||||
| SV5.5-5 | #10 | 5.3 | 9 | 23.9 | 7.5 | ||||
| SVS5.5-6 | 1/4 | 6.5 | 9 | 23.9 | 7.5 | ||||
| SVL5.5-6 | 1/4 | 6.5 | 12 | 31.2 | 12 | ||||
| SV5.5-8 | 5/16 | 8.4 | 14 | 30 | 11.5 | ||||
Looking for bulk order or OEM supply?
Hont is a professional cable tie manufacturer with 30 years of production experience.
News & Topics at Hont Cable Ties